Z Szelemen
A Z szelemen egy acélprofil, amely tetőszerkezetek építéséhez és az épületszerkezetek másodlagos szerkezeti elemeként alkalmazható, és amit mezőgazdasági, kereskedelmi és ipari épületekhez, továbbá akár lakossági építési munkálatokhoz is fel lehet használni. Mivel vékony lemezből készülnek, ez kevesebb acélt és alacsonyabb súlyt eredményez; ennek egyenes következménye, hogy az épületek tervezése és kivitelezése alacsonyabb költségkeretből is megvalósítható, maga az építkezés gyorsabb és olcsóbb, ami a csavarkötésnek, az előre kifúrt lyukaknak, valamint a felületkezelésnek köszönhető.
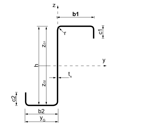
A Z szelemen hidegen horganyzott, de további bevonatokkal is ellátható a megrendelő igényei szerint, így fokozottan ellenáll a korróziónak. A magassága 100 mm és 400 mm közötti lehet, a vastagsága 1-4 mm, a hossza pedig 2-13,5 m lehet, de akár 15 méteres hosszúságban, akár az építési tervnek megfelelő, automata előfúrással is rendelhető. Ez utóbbinak hála a csavarkötéssel történő rögzítés egyszerűbb és gyorsabb, felületkezelésre pedig csak akkor van szükség a helyszínen, ha a gyári bevonat megsérül, ez pedig javítófestékkel könnyedén megoldható.
A Z szelemenekkel épített szerkezet tartós, a nagyobb földmozgásokat is képes sérülés nélkül elviselni, ellenáll a korróziónak, és karbantartást sem igényel. Emellett a szállítási költsége is alacsony, a rendszer pedig a bontását követően újra felhasználható, vagyis tulajdonképpen környezetkímélő.
Amennyiben Z szelemeneket szeretne vásárolni, illetve, ha kérdése lenne termékeinkkel kapcsolatban, forduljon hozzánk bizalommal megadott elérhetőségeink egyikén!
