U Szelemen
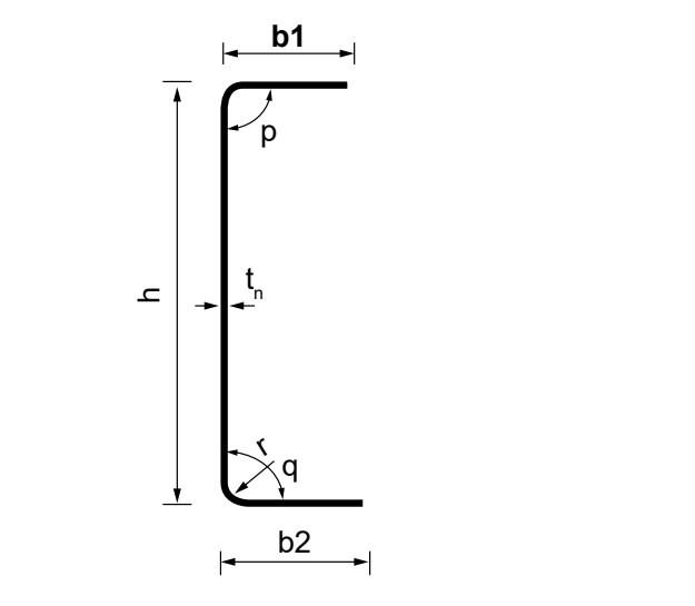
Az U szelemen egy hidegen horganyzott és kis súlyú, tetőszerkezetek építéséhez, illetve épületszerkezetek másodlagos elemeként felhasználható profil, amely magáncélú, ipari és mezőgazdasági építési munkálatokhoz is alkalmazható. 100 mm és 400 mm közötti magasságban, 1-4 mm vastagságban, illetve 2 m és 13,5 m közötti hosszúságban rendelhető, de igény szerint akár 15 m is lehet. Mivel vékony lemezből készül, a felhasználása kisebb súlyt jelent – ennek ellenére ellenáll a nagyobb földrengéseknek is –, ennek köszönhetően pedig az épületek tervezése és építése alacsonyabb költségkeretből is megvalósítható.
Az U szelemenek felhasználásával az épületek rövid határidővel készülhetnek el, ez pedig visszavezethető arra, hogy a csavarkötés a gyártás során készített előfúrásnak köszönhetően egyszerűbb és gyorsabb, felületkezelésre a helyszínen csak akkor van szükség, ha a horganyzás és festés megsérül, de a kis súly is számít, hiszen ennek okán egyszerűbb – és olcsóbb – a szállítás, és a szerelés is gyorsabb, hatékonyabb. A költségek csökkentéséhez tehát nagyban hozzájárulhat, ha U szelemenek felhasználásával történik egy szerkezet kivitelezése, és még az ára is kedvező.
Az U szelemenek felhasználásával épített szerkezetek tartósak, és nem igényelnek karbantartást, ha pedig a szerkezet lebontására kerülne sor, az elemei pedig 100%-osan újrahasznosíthatóak, így nem terhelik a környezetet sem. Felkeltették az érdeklődését az U szelemenek? Forduljon hozzánk bizalommal elérhetőségeink egyikén, tegye fel kérdéseit, és kérjen árajánlatot!
